一、原理和性能
1. 工作原理 :DGF系列灌裝機為半自動活塞式灌裝機。通過氣缸帶動一個活塞來抽取和打出物料,用三通轉向閥控制物料流向,通過移動磁性開關調節氣缸行程和灌裝量。
2. 性能:本公司生產的半自動活塞式單頭膏體防爆灌裝機是在本公司生產灌裝機系列的基礎上,引進外灌裝機技術,進行了進一步的改造和創新,其結構更加簡單合理,精確度高,操作更加簡便。本設備主要對高粘度流體物料進行灌裝,是貴公司填充設備的理想選擇。
3. 由于本設備是在不帶電的狀態下工作,更具安全性,設備的設計更加人文化。
二、機器技術參數
| 內 容 | 參 數 |
| 額定氣壓 | 0.4-0.6MPa |
| 灌裝速度 | 10-30瓶/分鐘 |
| 灌裝精度 | ±1% - ±2% |
灌裝效果:
| 設備型號 | 可灌裝范圍(ml) | 佳灌裝范圍(ml) | 本機型號請打(√) |
| DGF60 | 5~60 | 25~60 | |
| DGF125 | 10~125 | 50~125 | |
| DGF250 | 25~250 | 100~250 | |
| DGF500 | 50~500 | 200~500 | |
| DGF1000 | 100~1000 | 400~1000 | |
| DGF2500 | 250~2500 | 900~2500 | |
| DGF5000 | 500~5000 | 2200~5000 |
四、機器說明
本機主要適用于食品、日化、農藥、醫藥、及特殊行業的理想填充設備。本設備在工作過程中將受以下因素的影響:
1. DGF半自動活塞式單頭膏體防爆灌裝機的灌裝精度受以下因素影響:壓縮空氣的穩定性、物料的均勻性、灌裝速度等。
2. DGF半自動活塞式單頭膏體防爆灌裝機的灌裝速度受以下因素影響:物料的粘度、氣缸的行程、料缸的尺寸、灌裝嘴大小、操作者的熟練程度等。
3. 本機有兩種灌裝方式,腳踏灌裝和連續自動灌裝,兩種灌裝方式可以任意切換。根據工人的熟練程度,為保持車間的整潔和物料不浪費,剛開始時建議你選擇腳踏灌裝。
五、安裝調試
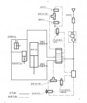
1. 將料桶03接在注料控制轉閥02的上方,并以卡箍鎖緊連接處。
2. 如圖安裝注料嘴01,并以卡箍鎖緊。
3. 移動氣動磁性開關06,至所需灌裝量位置。
3. 接通氣源。
4. 打開氣源開關17(滑閥)。
5. 將選擇開關11的工作模式切換到“腳踏”。
6. 踩動腳踏開關直到有物料從灌裝頭01流出。
10. 旋動出料速度節流閥08和進料速度節流閥16,調出合適的抽料速度和灌裝速度。為提高工作效率,可將進料速度16調快一點,灌料的速度08調慢一點(不要使灌裝過程有物料或氣泡沖出瓶口)。
11. 測量灌裝量,通過移動氣動行程開關06調整灌裝量。(注意氣動行程開關12不要輕易移動,出廠時已設定)
12. 調整灌裝量時,滑動氣動行程開關06到設定值,再將其固定。
13. 熟練后可將工作模式切換到“自動”
